更新时间:
2025-08-01
来源:
星可
浏览量:
1194

茯苓,中药名。为多孔菌科真菌茯苓的干燥菌核,可利水渗湿,健脾,宁心。多用于水肿尿少,痰饮眩悸,脾虚食少,便溏泄泻,心神不安,惊悸失眠。
本次实验使用iMagiLab茯苓专用柱,参考2025版中国药典对茯苓中的无水葡萄糖进行含量测定。
1.色谱条件
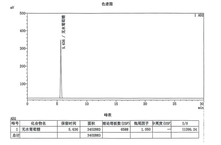
01.色谱条件与系统适用性试验 以仲胺/叔胺基键合硅胶为填充剂;以(星可)乙腈-水(80∶20)为流动相;用蒸发光散射检测器检测。理论板数按葡萄糖峰计算应不低于1500。
02.对照品溶液的制备 取无水葡萄糖对照品适量,精密称定,加水制成每1ml含1.0mg的溶液,即得。
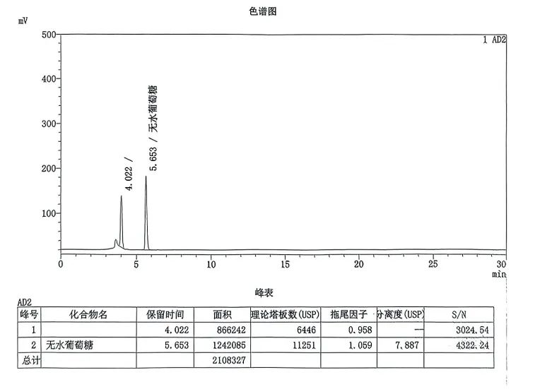
03.供试品溶液的制备 取本品粉末(过三号筛)约0.5g,精密称定,置具塞锥形瓶中,精密加入0.5mol/L的氢氧化钠溶液25ml,密塞,冰水浴超声处理(功率250W、频率40kHz,温度控制在10~20℃)45分钟,滤过。精密吸取续滤液1ml,置具塞试管中,精密加入1.0mol/L的盐酸溶液0.5ml,涡旋30秒至充分混匀,精密加入7.0mol/L的三氟乙酸溶液6.0ml,于110℃水解6小时,冷却至室温,回收溶剂至干。残渣加水溶解,转移至10ml量瓶中,并稀释至刻度,摇匀,滤过,取续滤液,即得。
04.测定法 分别精密吸取对照品溶液10μl与供试品溶液5μl,注入液相色谱仪。
2.色谱结果

图1 茯苓对照品色谱图及峰表

图2 茯苓供试品色谱图及峰表
3.结论
使用(星可)乙腈作为流动相,iMagiLab茯苓专用柱测试茯苓对照品和供试品,色谱峰峰形对称,基线平稳,理论塔板数高,符合药典要求。
4.订货信息

上海化学工业区北银河路68号
+86 021 69157182
marketing@cincgrp.com